 |
 |
 |
 |
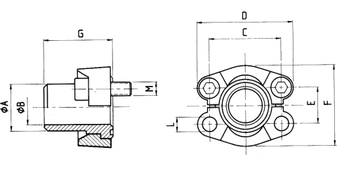
SAE-Anschweißbund
|
 |
| Material: |
| ST 52.3 (FE 510) |
|
|
| Bestellbezeichnung: |
|
| - nur Vorschweißbund |
SFS-... |
| - inkl. Halbflanschen (oder Vollflansch), metrischem Schraubensatz und O-Ring |
SFS-...M |
| - inkl. Halbflanschen (oder Vollflansch), UNC-Schraubensatz und O-Ring |
SFS-...U |
| Bestellbezeichnung für Vorschußbund in gegenflanschausführung (ohne O-Ringnut): |
|
| - nur Vorschweißbund |
G-SFS-... |
|
|
↓ Lochbild 3.000 P.S.I., Abmessungen ↓ Lochbild 3.000 P.S.I., Schrauben M; Gewicht ↓ Lochbild 6.000 P.S.I., Abmessungen ↓ Lochbild 6.000 P.S.I., Schrauben M; Gewicht |
| |
max. Be- triebs- druck kg/cm² |
SAE Bau- größe |
Typ |
Abmessungen |
| Rohr |
A |
B |
C |
D |
E |
F |
G |
L |
| Lochbild 3.000 P.S.I. |
| 250 |
½" |
SFS 3001 - 16 x 2 |
16x2 |
16 |
12 |
38,10 |
54 |
17,48 |
45,6 |
41 |
8,5 |
| 250 |
½" |
SFS 3001 - 21,3 x 2,9 |
21,3x2,9 |
22 |
15,5 |
38,10 |
54 |
17,48 |
45,6 |
41 |
8,5 |
| 250 |
½" |
SFS 3001 - 21,7 x 3,8 |
21,7x3,8 |
22 |
14 |
38,10 |
54 |
17,48 |
45,6 |
41 |
8,5 |
| 250 |
¾" |
SFS 3002 - 25 x 3 |
25x3 |
27 |
18,9 |
47,63 |
65 |
22,23 |
51,8 |
50 |
10,5 |
| 250 |
¾" |
SFS 3002 - 26,9 x 3,6 |
26,9x3,6 |
27 |
19,7 |
47,63 |
65 |
22,23 |
51,8 |
50 |
10,5 |
| 250 |
¾" |
SFS 3002 - 26,9 x 3,9 |
26,9x3,9 |
27 |
18,9 |
47,63 |
65 |
22,23 |
51,8 |
50 |
10,5 |
| 210 |
1" |
SFS 3003 - 28 x 3 |
28x3 |
28 |
22 |
52,37 |
70 |
26,19 |
58,4 |
50 |
10,5 |
| 210 |
1" |
SFS 3003 - 30 x 4 |
30x4 |
30 |
22 |
52,37 |
70 |
26,19 |
58,4 |
50 |
10,5 |
| 210 |
1" |
SFS 3003 - 33,7 x 3,6 |
33,7x3,6 |
34 |
26,5 |
52,37 |
70 |
26,19 |
58,4 |
50 |
10,5 |
| 250 |
1" |
SFS 3003 - 33,7x4,5 |
33,7x4,5 |
34 |
24,7 |
52,37 |
70 |
26,19 |
58,4 |
50 |
10,5 |
| 250 |
1" |
SFS 3003 - 38 x 5 |
38x5 |
38 |
28 |
52,37 |
70 |
26,19 |
58,4 |
50 |
10,5 |
| 250 |
1¼" |
SFS 3004 - 38 x 5 |
38x5 |
38 |
28 |
58,72 |
79 |
30,18 |
72,6 |
55 |
*1 |
| 160 |
1¼" |
SFS 3004 - 42,4 x 3,6 |
42,4x3,6 |
43 |
35 |
58,72 |
79 |
30,18 |
72,6 |
55 |
*1 |
| 210 |
1¼" |
SFS 3004 - 42,4 x 4,5 |
42,4x4,5 |
43 |
33,4 |
58,72 |
79 |
30,18 |
72,6 |
55 |
*1 |
| 250 |
1¼" |
SFS 3004 - 42,4 x 6,3 |
42,4x6,3 |
43 |
29,7 |
58,72 |
79 |
30,18 |
72,6 |
55 |
*1 |
| 160 |
1½" |
SFS 3005 - 38 x 4 |
38x4 |
38 |
30 |
69,85 |
94 |
35,71 |
82,2 |
57 |
13,5 |
| 100 |
1½" |
SFS 3005 - 42 x 3 |
42x3 |
42 |
36 |
69,85 |
94 |
35,71 |
82,2 |
57 |
13,5 |
| 210 |
1½" |
SFS 3005 - 42 x 5 |
42x5 |
42 |
32 |
69,85 |
94 |
35,71 |
82,2 |
57 |
13,5 |
| 210 |
1½" |
SFS 3005 - 45 x 5 |
45x5 |
45 |
35 |
69,85 |
94 |
35,71 |
82,2 |
57 |
13,5 |
| 40 |
1½" |
SFS 3005 - 48,3 x 3,6 |
48,3 x 3,6 |
49 |
41 |
69,85 |
94 |
35,71 |
82,2 |
57 |
13,5 |
| 210 |
1½" |
SFS 3005 - 48,3 x 5 |
48,3x5,0 |
49 |
38 |
69,85 |
94 |
35,71 |
82,2 |
57 |
13,5 |
| 210 |
1½" |
SFS 3005 - 48,3 x 6,2 |
48,3x6,2 |
49 |
36 |
69,85 |
94 |
35,71 |
82,2 |
57 |
13,5 |
| 210 |
1½" |
SFS 3005 - 48,3 x 7,1 |
48,3x7,1 |
49 |
34 |
69,85 |
94 |
35,71 |
82,2 |
57 |
13,5 |
| 160 |
2" |
SFS 3006 - 55 x 5 |
55x5 |
55 |
45 |
77,77 |
102 |
42,88 |
96,4 |
57 |
13,5 |
| 40 |
2" |
SFS 3006 - 60,3 x 3,9 |
60,3x3,9 |
60,3 |
52,5 |
77,77 |
102 |
42,88 |
96,4 |
57 |
13,5 |
| 160 |
2" |
SFS 3006 - 60,3 x 5 |
60,3x5 |
60,3 |
50 |
77,77 |
102 |
42,88 |
96,4 |
57 |
13,5 |
| 210 |
2" |
SFS 3006 - 60,3 x 8 |
60,3x8 |
60,3 |
44 |
77,77 |
102 |
42,88 |
96,4 |
57 |
13,5 |
| 160 |
2½" |
SFS 3007 - 65 x 6 |
65x6 |
65 |
53 |
88,90 |
114 |
50,80 |
108,20 |
58 |
13,5 |
| 160 |
2½" |
SFS 3007 - 70 x 7,5 |
70x7,5 |
70 |
55 |
88,90 |
114 |
50,80 |
108,20 |
58 |
13,5 |
| 160 |
2½" |
SFS 3007 - 76,1 x 5,5 |
76,1x5,5 |
74 |
65 |
88,90 |
114 |
50,80 |
108,20 |
58 |
13,5 |
| 160 |
2½" |
SFS 3007 - 76,1 x 7,1 |
76,1x7,1 |
74 |
62 |
88,90 |
114 |
50,80 |
108,20 |
58 |
13,5 |
| 138 |
3" |
SFS 3008 - 80 x 6 |
80x6 |
80 |
68 |
106,38 |
135 |
61,93 |
130,60 |
60 |
16,75 |
| 40 |
3" |
SFS 3008 -
|
88,9 x 3,9 |
90 |
81 |
106,38 |
135 |
61,93 |
130,60 |
60 |
16,75 |
| 138 |
3" |
SFS 3008 - 88,9 x 7 |
88,9x7 |
90 |
73 |
106,38 |
135 |
61,93 |
130,60 |
60 |
16,75 |
| 34 |
3½" |
SFS 3009 - 88,9 x 8 |
88,9x8 |
90 |
73 |
120,65 |
152 |
69,85 |
139 |
60 |
17 |
| 34 |
3½" |
SFS 3009 - 100 x 6 |
100x6 |
100 |
88 |
120,65 |
152 |
69,85 |
139 |
60 |
17 |
| 34 |
4" |
SFS 3001 - 110 x 6,0 |
110x6 |
110 |
98 |
130,18 |
162 |
77,77 |
152 |
60 |
17 |
| 34 |
4" |
SFS 3010 - 114,3 x 3,6 |
114,3x3,6 |
115 |
107 |
130,18 |
162 |
77,77 |
152 |
60 |
17 |
| 34 |
4" |
SFS 3010 - 114,3 x 6,0 |
114,3x6,02 |
115 |
102 |
130,18 |
162 |
77,77 |
152 |
60 |
17 |
| 34 |
4" |
SFS 3010 - 114,3 x 8,8 |
114,3x8,8 |
115 |
96,7 |
130,18 |
162 |
77,77 |
152 |
60 |
17 |
| 34 |
5" |
SFS 3011 - 133 x 6,5 |
133x6,5 |
133 |
120 |
152,40 |
184 |
92,08 |
180 |
60 |
17 |
| 34 |
5" |
SFS 3011 - 139,7 x 10 |
139,7x10 |
140 |
120 |
152,40 |
184 |
92,08 |
180 |
60 |
17 |
|
|
| *1) wahlweise 10,5, 12,5 oder 12,0 |
| |
max. Be- triebs- druck kg/cm² |
SAE Bau- größe |
Typ |
Schrauben M |
Gewicht kg |
| metr. |
unc |
| Lochbild 3.000 P.S.I. |
| 250 |
½" |
SFS 3001 - 16 x 2 |
M 8x30 |
5/16 x 1¼ |
0,08 |
| 250 |
½" |
SFS 3001 - 21,3 x 2,9 |
M 8x30 |
5/16 x 1¼ |
0,08 |
| 250 |
½" |
SFS 3001 - 21,7 x 3,8 |
M 8x30 |
5/16 x 1¼ |
0,08 |
| 250 |
¾" |
SFS 3002 - 25 x 3 |
M 10x30 |
3/8 x 1¼ |
0,16 |
| 250 |
¾" |
SFS 3002 - 26,9 x 3,6 |
M 10x30 |
3/8 x 1¼ |
0,16 |
| 250 |
¾" |
SFS 3002 - 26,9 x 3,9 |
M 10x30 |
3/8 x 1¼ |
0,16 |
| 210 |
1" |
SFS 3003 - 28 x 3 |
M 10x35 |
3/8 x 1¼ |
0,23 |
| 210 |
1" |
SFS 3003 - 30 x 4 |
M 10x35 |
3/8 x 1¼ |
0,23 |
| 210 |
1" |
SFS 3003 - 33,7 x 3,6 |
M 10x35 |
3/8 x 1¼ |
0,23 |
| 250 |
1" |
SFS 3003 - 33,7 x 4,5 |
M 10x35 |
3/8 x 1¼ |
0,23 |
| 250 |
1" |
SFS 3003 - 38 x 5 |
M 10x35 |
3/8 x 1¼ |
0,23 |
| 250 |
1¼" |
SFS 3004 - 38 x 5 |
*2 |
7/16 x 1½ |
0,30 |
| 160 |
1¼" |
SFS 3004 - 42,4 x 3,6 |
*2 |
7/16 x 1½ |
0,30 |
| 210 |
1¼" |
SFS 3004 - 42,4 x 4,5 |
*2 |
7/16 x 1½ |
0,30 |
| 250 |
1¼" |
SFS 3004 - 42,4 x 6,3 |
*2 |
7/16 x 1½ |
0,30 |
| 160 |
1½" |
SFS 3005 - 38 x 4 |
M 12x35 |
½ x 1½ |
0,40 |
| 100 |
1½" |
SFS 3005 - 42 x 3 |
M 12x35 |
½ x 1½ |
0,40 |
| 210 |
1½" |
SFS 3005 - 42 x 5 |
M 12x35 |
½ x 1½ |
0,40 |
| 210 |
1½" |
SFS 3005 - 45 x 5 |
M 12x35 |
½ x 1½ |
0,40 |
| 40 |
1½" |
SFS 3005 - 48,3 x 3,6 |
M 12x35 |
½ x 1½ |
0,40 |
| 210 |
1½" |
SFS 3005 - 48,3 x 5 |
M 12x35 |
½ x 1½ |
0,40 |
| 210 |
1½" |
SFS 3005 - 48,3 x 6,2 |
M 12x35 |
½ x 1½ |
0,40 |
| 210 |
1½" |
SFS 3005 - 48,3 x 7,1 |
M 12x35 |
½ x 1½ |
0,40 |
| 160 |
2" |
SFS 3006 - 55 x 5 |
M 12x35 |
½ x 1½ |
0,50 |
| 40 |
2" |
SFS 3006 - 60,3 x 3,9 |
M 12x35 |
½ x 1½ |
0,52 |
| 160 |
2" |
SFS 3006 - 60,3 x 5 |
M 12x35 |
½ x 1½ |
0,50 |
| 210 |
2" |
SFS 3006 - 60,3 x 8 |
M 12x35 |
½ x 1½ |
0,52 |
| 160 |
2½" |
SFS 3007 - 65 x 6 |
M 12x40 |
½ x 1¾ |
0,80 |
| 160 |
2½" |
SFS 3007 - 70 x 7,5 |
M 12x40 |
½ x 1¾ |
0,80 |
| 160 |
2½" |
SFS 3007 - 76,1 x 5,5 |
M 12x40 |
½ x 1¾ |
0,80 |
| 160 |
2½" |
SFS 3007 - 76,1 x 7,1 |
M 12x40 |
½ x 1¾ |
0,80 |
| 138 |
3" |
SFS 3008 - 80 x 6 |
M 16x45 |
5/8 x 2 |
1,10 |
| 40 |
3" |
SFS 3008 - |
M 16x45 |
5/8 x 2 |
1,08 |
| 138 |
3" |
SFS 3008 - 88,9 x 7 |
M 16x45 |
5/8 x 2 |
1,10 |
| 34 |
3½" |
SFS 3009 - 88,9 x 8 |
M 16x45 |
5/8 x 2 |
1,35 |
| 34 |
3½" |
SFS 3009 - 100 x 6 |
M 16x45 |
5/8 x 2 |
1,40 |
| 34 |
4" |
SFS 3001 - 110 x 6,0 |
M 16x50 |
5/8 x 2 |
1,75 |
| 34 |
4" |
SFS 3010 - 114,3 x 3,6 |
M 16x50 |
5/8 x 2 |
1,75 |
| 34 |
4" |
SFS 3010 - 114,3 x 6,0 |
M 16x50 |
5/8 x 2 |
1,75 |
| 34 |
4" |
SFS 3010 - 114,3 x 8,8 |
M 16x50 |
5/8 x 2 |
1,75 |
| 34 |
5" |
SFS 3011 - 133 x 6,5 |
M 16x50 |
5/8 x 2 |
2,62 |
| 34 |
5" |
SFS 3011 - 139,7 x 10 |
M 16x50 |
5/8 x 2 |
2,62 |
|
|
| *2) wahlweise M 10 x 30 oder M 12 x 40 |
| |
max. Be- triebs- druck kg/cm² |
SAE Bau- größe |
Typ |
Abmessungen |
| Rohr |
A |
B |
C |
D |
E |
F |
G |
L |
| Lochbild 6.000 P.S.I. |
| 250 |
½" |
SFS 6001 - 16 x 2 |
16x2 |
16 |
12 |
40,49 |
56 |
18,24 |
47,2 |
34 |
8,5 |
| 414 |
½" |
SFS 6001 - 21,3 x 4,5 |
21,3x4,5 |
21,3 |
11,9 |
40,49 |
56 |
18,24 |
47,2 |
34 |
8,5 |
| 250 |
¾" |
SFS 6002 - 25 x 3 |
25x3 |
25 |
19 |
50,80 |
71 |
23,80 |
60 |
38 |
10,5 |
| 315 |
¾" |
SFS 6002 - 25 x 3,5 |
25x3,5 |
25 |
18 |
50,80 |
71 |
23,80 |
60 |
38 |
10,5 |
| 315 |
¾" |
SFS 6002 - 26,9 x 5,6 |
26,9x5,6 |
26,9 |
15,7 |
50,80 |
71 |
23,80 |
60 |
38 |
10,5 |
| 250 |
1" |
SFS 6003 - 30 x 3,5 |
30x3,5 |
30 |
23 |
57,15 |
81 |
27,76 |
69,6 |
40 |
*3 |
| 315 |
1" |
SFS 6003 - 30 x 4 |
30x4 |
30 |
22 |
57,15 |
81 |
27,76 |
69,6 |
40 |
*3 |
| 315 |
1" |
SFS 6003 - 33,7 x 6,35 |
33,7x6,35 |
34 |
20,9 |
57,15 |
81 |
27,76 |
69,6 |
40 |
*3 |
| 414 |
1" |
SFS 6003 - 33,7 x 7,1 |
33,7x7,1 |
34 |
19 |
57,15 |
81 |
27,76 |
69,6 |
40 |
*3 |
| 315 |
1" |
SFS 6003 - 38 x 5 |
38x5 |
38 |
28 |
57,15 |
81 |
27,76 |
69,6 |
40 |
*3 |
| 315 |
1¼" |
SFS 6004 - 30 x 4 |
30x4 |
30 |
22 |
66,68 |
95 |
31,75 |
77,2 |
45 |
*4 |
| 315 |
1¼" |
SFS 6004 - 38 x 5 |
38x5 |
38 |
28 |
66,68 |
95 |
31,75 |
77,2 |
45 |
*4 |
| 315 |
1¼" |
SFS 6004 - 38 x 5,5 |
38x5,5 |
38 |
27 |
66,68 |
95 |
31,75 |
77,2 |
45 |
*4 |
| 414 |
1¼" |
SFS 6004 - 42,4 x 6,3 |
42,4 x 6,3 |
42,4 |
29,8 |
66,68 |
95 |
31,75 |
77,2 |
45 |
*4 |
| 315 |
1½" |
SFS 6005 - 45 x 6,5 |
45x6,5 |
45 |
32 |
79,38 |
113 |
36,50 |
95 |
50 |
16,75 |
| 250 |
1½" |
SFS 6005 - 48,3 x 5 |
48,3x5 |
50 |
38 |
79,38 |
113 |
36,50 |
95 |
50 |
16,75 |
| 414 |
1½" |
SFS 6005 - 48,3 x 7,15 |
48,3x7,15 |
50 |
34 |
79,38 |
113 |
36,50 |
95 |
50 |
16,75 |
| 414 |
1½" |
SFS 6005 - 48,3 x 8,8 |
48,3x8,8 |
50 |
30,7 |
79,38 |
113 |
36,50 |
95 |
50 |
16,75 |
| 315 |
2" |
SFS 6006 - 60,3 x 7,5 |
60,3x7,5 |
60,3 |
45 |
96,82 |
133 |
44,45 |
113,8 |
58 |
21 |
| 315 |
2" |
SFS 6006 - 60,3x8,75 |
60,3x8,75 |
60,3 |
43 |
96,82 |
133 |
44,45 |
113,8 |
58 |
21 |
| 315 |
2" |
SFS 6006 - 60,3 x 10 |
60,3x10 |
60,3 |
40 |
96,82 |
133 |
44,45 |
113,8 |
58 |
21 |
| 414 |
2" |
SFS 6006 - 60,3 x 13,4 |
60,3x13,4 |
60,3 |
33,7 |
96,82 |
133 |
44,45 |
113,8 |
58 |
21 |
| 350 |
2" |
SFS 6006 - 65 x 8 |
65x8 |
65 |
49 |
96,82 |
133 |
44,45 |
113,8 |
58 |
21 |
| |
2½" |
SFS 6007 - *5 |
max. 89 |
*5 |
*5 |
123,80 |
180 |
58,40 |
150,20 |
75 |
26 |
| |
3" |
SFS 6008 - *5 |
max. 114,3 |
*5 |
*5 |
152,40 |
215 |
71,60 |
198,20 |
80 |
31 |
|
|
*3) wahlweise 12,0 oder 12,5 *4) wahlweise 14,5 oder 13,5 *5) Rohrabmessung nach Wahl |
| |
max. Be- triebs- druck kg/cm² |
SAE Bau- größe |
Typ |
Schrauben M |
Gewicht kg |
| metr. |
unc |
| Lochbild 6.000 P.S.I. |
| 250 |
½" |
SFS 6001 - 16 x 2 |
M 8x30 |
5/16 x 1¼ |
0,08 |
| 414 |
½" |
SFS 6001 - 21,3 x 4,5 |
M 8x30 |
5/16 x 1¼ |
0,08 |
| 250 |
¾" |
SFS 6002 - 25 x 3 |
M 10x35 |
3/8 x 1½ |
0,15 |
| 315 |
¾" |
SFS 6002 - 25 x 3,5 |
M 10x35 |
3/8 x 1½ |
0,17 |
| 315 |
¾" |
SFS 6002 - 26,9 x 5,6 |
M 10x35 |
3/8 x 1½ |
0,17 |
| 250 |
1" |
SFS 6003 - 30 x 3,5 |
M 12x45 |
7/16 x 1¾ |
0,23 |
| 315 |
1" |
SFS 6003 - 30 x 4 |
M 12x45 |
7/16 x 1¾ |
0,25 |
| 315 |
1" |
SFS 6003 - 33,7 x 6,35 |
M 12x45 |
7/16 x 1¾ |
0,23 |
| 414 |
1" |
SFS 6003 - 33,7 x 7,1 |
M 12x45 |
7/16 x 1¾ |
0,25 |
| 315 |
1" |
SFS 6003 - 38 x 5 |
M 12x45 |
7/16 x 1¾ |
0,25 |
| 315 |
1¼" |
SFS 6004 - 30 x 4 |
M 14x50 |
½ x 1¾ |
0,30 |
| 315 |
1¼" |
SFS 6004 - 38 x 5 |
M 14x50 |
½ x 1¾ |
0,31 |
| 315 |
1¼" |
SFS 6004 - 38 x 5,5 |
M 14x50 |
½ x 1¾ |
0,30 |
| 414 |
1¼" |
SFS 6004 - 42,4 x 6,3 |
M 14x50 |
½ x 1¾ |
0,31 |
| 315 |
1½" |
SFS 6005 - 45 x 6,5 |
M 16x55 |
5/8 x 2 |
0,50 |
| 250 |
1½" |
SFS 6005 - 48,3 x 5 |
M 16x55 |
5/8 x 2 |
0,53 |
| 414 |
1½" |
SFS 6005 - 48,3 x 7,15 |
M 16x55 |
5/8 x 2 |
0,50 |
| 414 |
1½" |
SFS 6005 - 48,3 x 8,8 |
M 16x55 |
5/8 x 2 |
0,53 |
| 315 |
2" |
SFS 6006 - 60,3 x 7,5 |
M 20x65 |
¾ x 2½ |
0,80 |
| 315 |
2" |
SFS 6006 - 60,3 x 8,75 |
M 20x65 |
¾ x 2½ |
0,91 |
| 315 |
2" |
SFS 6006 - 60,3 x 10 |
M 20x65 |
¾ x 2½ |
0,80 |
| 414 |
2" |
SFS 6006 - 60,3 x 13,4 |
M 20x65 |
¾ x 2½ |
0,91 |
| 350 |
2" |
SFS 6006 - 65 x 8 |
M 20x65 |
¾ x 2½ |
0,91 |
| |
2½" |
SFS 6007 - *5 |
M 24x75 |
- |
- |
| |
3" |
SFS 6008 - *5 |
M 30x90 |
- |
- |
|
|
| *5) Rohrabmessung nach Wahl |
Hinweis: Der angegebene Nenndruck ist nach der SAE J 518 C durch den Flansch bzw. nach dem anzuschweißenden Rohr festgelegt.
Änderungen vorbehalten! |
|
|
 |
 |
|